Обяви 0 За нас Контакти
Дава под Наем ОФИС
град София, Център
550 €
1 075.71 лв.

(7.97 €, 15.59 лв./m2)
Не се начислява ДДС
Коригирана в 19:26 на 7 януари, 2026 год.
Обявата е посетена 2556 пъти.
Площ:
69 m2
Етаж:
1-ви от 5
Газ:
НЕ
ТEЦ:
ДА

Описание на имота:


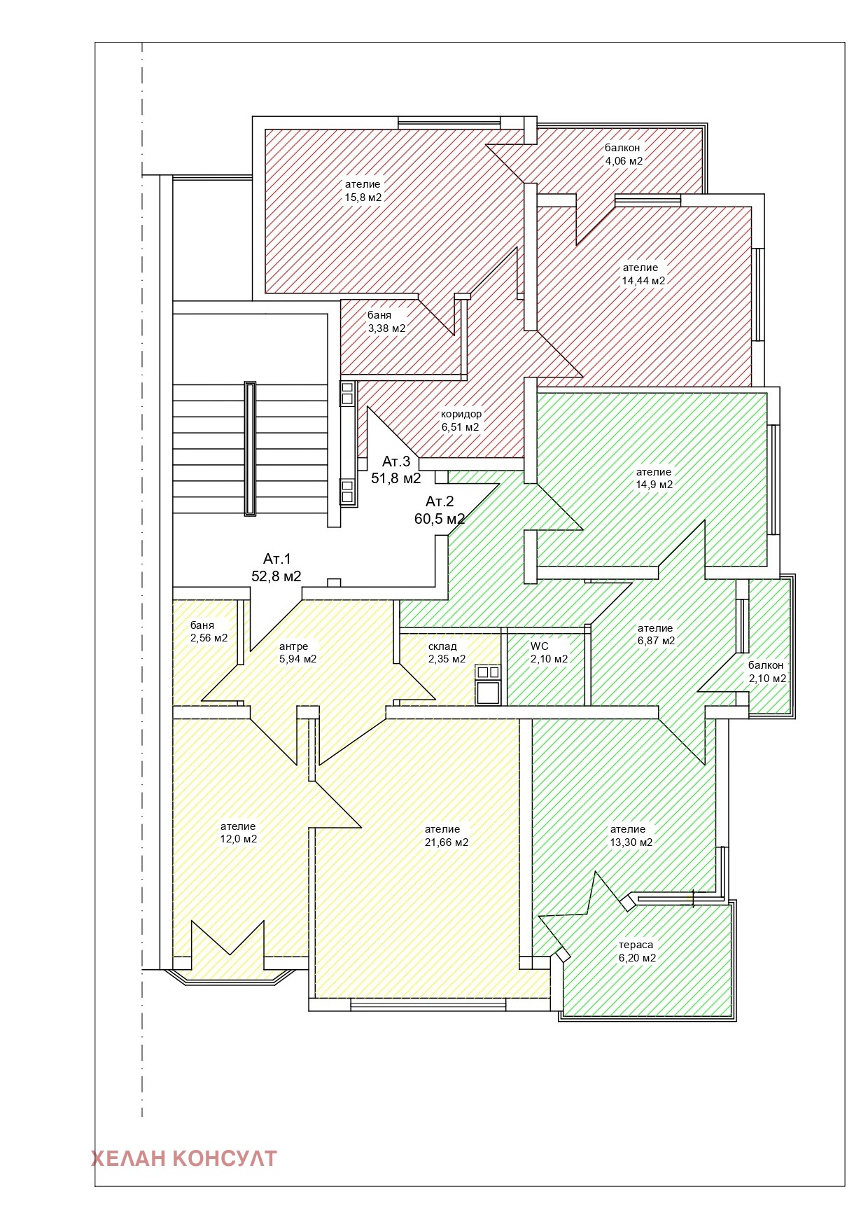
'ХЕЛАН консулт' предлага самостоятелно помещение за офис на първия етаж над партер на метри от бул. 'В.Левски', близа до бул.'Дондуков'. Състои се от две самостоятелни стаи, санитарен възел, приемна, два балкона и входно антре. Офисът е полуобзаведен. На същия етаж има още две офис помещения. Всички офиси ще бъдат свободни от 01.04.2025 г. Предложеното в тази оферта е оцветено в зелено на схемата.Има място за паркиране в двора на сградата.За повече информация на тел. 0888 250501
Особености
Обзаведен
С паркомясто
СОТ
Окабеляване
Интернет връзка
С действащ бизнес
Контрол на достъпа
Саниран
За контакт:
0888250501

Този имот се предлага само на частни лица
Агенция:
ХЕЛАН КОНСУЛТ
0888250501
ХЕЛАН КОНСУЛТ logo
Медал за прослужено време
В imot.bg от 2006 г.
helanconsult.imot.bg
Адрес:
област София, гр. София, ул. 'Св.Св. Кирил и Методий' 107, ет.1
http://www.helanconsult.com
ИЗПРАТИ ЗАПИТВАНЕ
ИЗПРАТИ ЗАПИТВАНЕТО

Дава под Наем ОФИС
град София, Център
Обява: 2h173918490552149

550 €
1 075.71 лв.
(7.97 €, 15.59 лв./m2)

Не се начислява ДДС
ЗАПАЗИ ОБЯВАТА

Местоположение: град София, Център

Допълнителни данни за имотите в района и сравнение с други райони

Покажи

Период

и 5 месеца

* Средните цени са определени чрез медианна стойност